Линия по выпуску изоляционной плиты ИЗОПЛАТ мощностью 2 т/ч
- Технические характеристики
- Доставка

| Технические данные | |
|
Ширина плиты (мм) |
1500 |
|
Толщина плиты (мм) |
20 ÷ 250 |
|
Плотность плиты (кг/м3) |
40 ~ 200 |
|
Производительность (м3/22 ч) |
460 (c толщ. 120мм @ 100кг/м3) |
|
Расход волокна (кг/ч) |
2000 а.с. |
|
Сырьё |
щепа |
|
Нач.влажность (max) |
100% |
|
Тип пресса |
непрерывный |
|
Гидравлика пресса |
масло |
|
Нагрев пресса |
пар |
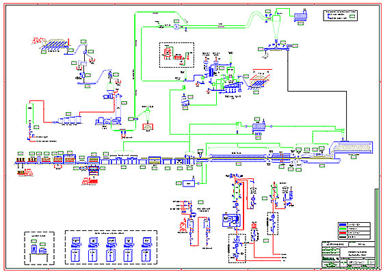
ТЕХНОЛОГИЧЕСКАЯ СХЕМА ПРОИЗВОДСТВА:
МОЩНОСТЬ ОБОРУДОВАНИЯ


СЫРЬЁ
Древесина
характеристики
- тип сырья щепа
- качество сырья без примесей (камни, метал и т.д..)
- влажность 100 % аtro
Клей
Жидкий клей MDI, 100%-ной концентрации Европейского стандарта качества
Расход 4%
Эмульсия
Расход 0.5 ~ 1.5 сух. кг/м³
Вода
Характеристики
- Давление
• Холодная вода 2 bar min.
• Охлаждающ.вода 4 bar min.
- Температура < 25°C
- Жёсткость < 120 мг CaO/l
- Содержание хлоридов < 80 ppm
- Значение pH при 20°C 6 ~ 7.5
- Нерастворимые примеси никаких
ЭНЕРГИЯ
Тепловая энергия
Сушилка
Потребление тепловой энергии зависит от содержания влаги в волокнах.
Потребление : 1.8 гкал/ч (2.1 MW)
Пар
Используется в предварительной пропарке щепы для более лёгкого расщепления на волокна в рафинёре, при транспортировке волокна от рафинёра к сушилке, клеераспределения в волокне и для нагрева пресса
- Избыточное давление пропарки 12 ~ 14 bar
- Избыточное давление рафинёра 12 ~ 14 bar
Потребление рафинёра : 0.96 гкал/ч (1.1 MW)
Расход на тех.линии : 1.7 гкал/ч (2 MW)
Электроэнергия
Характеристики
- Напряжение двигателей 380 V ± 5%
- Частота 50 Hz ± 0.4%
- Напряжение между фазой и нейтралью 230 V
Сжатый воздух
Сжатый воздух предоставляется Заказчиком, необходимое давление в точке подачи 6 bar. Воздух должен быть очищен от влаги и масел и охлаждён до температуры окружающей среды для работы клапанов
Техническая вода
Вода предоставляется Заказчиком, используется в производстве пара, в системе дозирования и для охлаждения насосов в нагревательном контуре.
Кроме того, она используется в системе тушения.
Деминерализованная вода
Используется для выработки пара.
Выбросы пыли
Приблизительные данные; при более низких уровнях эмиссии, требуемых местным законодательством, потребуется установка дополнительного оборудования фильтрации / очистки воздуха (циклоны, скрубберы, и т.д..)
| Состав оборудования по участкам и услуги | |||
|
ПОЗ |
N. |
НАИМЕНОВАНИЕ УЧАСТКА |
|
|
2100 |
1 |
УЧАСТОК ХРАНЕНИЯ ЩЕПЫ |
|
|
2200 |
1 |
УЧАСТОК ОЧИСТКИ ЩЕПЫ |
|
|
2300 |
1 |
УЧАСТОК ВЫРАБОТКИ ВОЛОКНА |
|
|
2400 |
1 |
СУШИЛЬНОЕ ОТДЕЛЕНИЕ |
|
|
3200 |
1 |
ЛИНИЯ ДОЗИРОВАНИЯ |
|
|
3300 |
1 |
УЧАСТОК КЛЕЕНАНЕСЕНИЯ |
|
|
4000 |
1 |
ЛИНИЯ ФОРМИРОВАНИЯ КОВРА И ПРЕССОВАНИЯ |
|
|
5100 5200 |
1 1 |
ЛИНИЯ РАСКРОЯ и ПЕРЕМЕЩЕНИЯ ПЛИТ |
|
|
5900 |
1 |
АСПИРАЦИЯ ПЫЛИ И ФИЛЬТР |
|
|
6200 |
1 |
ТЕПЛОЭНЕРГЕТИЧЕСКИЙ ЦЕНТР |
|
|
7300 |
1 |
СИСТЕМА ОБНАРУЖЕНИЯ ИСКРЫ |
|
|
8000 |
1 |
ЛАБОРАТОРИЯ |
|
|
EL |
1 |
СИСТЕМА ЭЛЕКТРИЧЕСКОГО КОНТРОЛЯ И УПРАВЛЕНИЯ |
|
| EN | 1 | ИНЖИНИРИНГОВАЯ ДОКУМЕНТАЦИЯ | |
| ES | 1 |
ШЕФ-МОНТАЖ И ЗАПУСК |
|
СРОК ДОСТАВКИ
7 месяцев с даты подтверждения заказа, получения авансового платежа, открытия аккредитива и согласования технических характеристик.
ГАРАНТИИ
12 месяцев с момента поставки
ПРИМЕНЯЕМЫЕ СТАНДАРТЫ
Товар соответствует нормам ЕС
Стоимость, указанная в предложении, касается оборудования, предназначенного для установки в зоне не классифицированной директивой 99/92/СE. За информацией относительно применения в других зонах необходимо обратиться в коммерческий отдел ГК «LESPT».
ФОТО : МОНТАЖ ЛИНИИ 2020 г.










ОПИСАНИЕ ТЕПЛОИЗОЛЯЦИОННЫХ ПЛИТ
В настоящий момент, в соответствии с европейскми нормами жилищного строительства и в целях сокращения энергопотребления, а также снижения уровня загрязнения среды со стороны человека, становится актуальной задача эффективной изоляции жилищного сектора и индустриальных объектов. В Европе потребление теплоизоляционных материалов можно представить в виде нижеследующей таблицы:
| Полистирол и продукты | 77% |
| Минеральная –стекловата и др. | 18% |
| Древесное волокно или др. натуральные материалы | 5% |
| Общее потребление изоляционных материалов в Европе | 600.000.000 м³ |
| Потребление древесноволокнистой плиты | 2.000.000 м³ |
Теплоизоляционная плита производится в основном из отходов лесопильного производства, неделовой древесины, отходы от переработки древесины и т.д. Древесина расщепляется до волокна при помощи механической и тепловой обработки. Полученные таким образом волокна, путём их переплетения и свойлачивания между собой при прессовании, позволяет получить устойчивую древесноволокнистую плиту. Натуральные смолы древесины, выделяющиеся в процессе её расщепления, в совокупности с кремнезёмом придают такой плите после сушки типичную прочность древесной плиты без добавления др. связующих. Для получения влагостойкой и огнестойкой плиты в волокно могут вводиться специальные добавки ( латекс, парафин, суррогат битума на основе натуральной смолы, сульфат аммония и т.д.)
Незначительное пока распространение данной продукции в России вызвано такими факторами как:
a) Это абсолютно новый продукт
b) В России на данный момент отсутствуют производства такой плиты. В Европе существует всего 3 производителя, т.к. первое производство открылось в 2008г.
По сравнению с другими традиционными материалами древесноволокнистые изоляционные плиты имеют большой ряд преимуществ и всё чаще выбирается ведущими архитекторами и строительными фирмами с экологической направленностью в качестве изоляционного материала. Приведём некоторые из них:
a) это натуральный и экологичный продукт
b) более эффективная теплоизоляция
c) лучшая акустическая изоляция
d) пористость плиты способствует испарению водяных паров, образующихся в жилой среде
e) плохая горючесть и отсутствие вредных для здоровья выделений диоксина при горении
f) лёгкость обработки с несущественными отходами
g) образующиеся обрезки и отходы могут быть повторно переработаны, т.к. речь идёт о древесном сырье
При более детальном рассмотрении можно отметить, что:
a) Используемое сырьё —это натуральная, либо вторичная древесина, следовательно, экологичный материал. Используемое сырьё имеется практически в неограниченном количестве, а потому всегда в наличии. Энергопотребление во время производственного процесса достаточно высокое. Загрязнение среды из-за слива отработанных вод сводится практически к минимуму благодаря замкнутому циркуляционному контуру. Отходы от производства теплоизоляционных плит могут быть повторно запущены в производство, либо переработаны в качестве удобрения. Данный материал по всем параметрам соответствует экологичному типу продукции и является существенной альтернативой другим изоляционным материалам.
b) Теплоизоляционная плита —это отличный теплоизолятор, т.к. древесное волокно наряду с хорошей теплопроводностью обладает и отличными теплоёмкими качествами (теплоёмкость (c) 2100 J/kgK) выгода с точки зрения комфорта в летний период тем больше, чем выше значение фазового сдвига и затухания теплового потока. Сдвиг фазы (φ) -это разница во времени между моментом максимальной температуры на улице и временем максимальной температуры внутри помещения, и не должен быть меньше 8/12 часов; затухание теплового потока выражает отношение между максимальным изменением ΔTe внешней температуры и ΔTi внутренней температуры по отношению к средней температуре внутренней поверхности, как это указано в таблице:
c) Древесно-волокнистая плита является отличным шумоизолятором, благодаря повышенной плотности (прибл. от 160 до 250 кг/м3 ) и волокнистости материала. Плита несёт в себе функции звукопоглощения и звуконепроницаемости
d) Древесно-волокнистая плита обладает пористостью, способствующей беспрепятственному испарению водяных паров, имеющихся в жилой среде, а также поддержанию оптимальной влажности и предотвращению образования плесени и конденсата, позволяя тем самым зданию «дышать»
e) Плита обладает низкой горючестью и в случае сжигания не выделяет вредный для здоровья диоксин.
f) Теплоизоляционная плита легко обрабатывается и подгоняется по размерам без обрезков, т.к. является пластичным материалом.
g) Возможные обрезки или отходы могут повторно перерабатываться, т.к. это древесный материал
h) Плиты легко укладываются и в зависимости от назначения могут иметь различную плотность, которая варьирует от50 кг/м3 до250кг /м3 т.е. может жёсткой(поддающейся нагрузкам) или мягкой (пластичной)Плиты легко обрабатываются и поддаются форматному раскрою обычным деревообрабатывающим инструментом. Обычно в строительстве, в зависимости от области назначения используются плиты различной толщины и плотности, либо специальная пазо-гребневая нарезка, для плотной стыковки.
i) Для летней изоляции основной характеристикой является удельная теплопроводность плиты, которая указывает на количество поглощаемой изоляционным материалом теплоты и её повышения внутренней температуры. Чем ниже удельная теплопроводность, тем выше будет внутренняя температура, в следствии реальная проводимость λ увеличится оказывая меньшую сопротивляемость тепловому потоку

|
Характеристики |
Стекловата |
Минеральная вата |
Пенополистирол (EPS) |
Древесно-волокнистые плиты 160-250 |
|
Удельная теплоемкость CP Дж/(кг*К) |
880 |
880 |
1270 |
2100 |

Доставка товаров осуществляется по всей территории России, а также в страны СНГ. Отправка заказов в регионы оплачивается покупателем в соответствии с тарифами транспортной компании, осуществляющей перевозку. Доставка оплачивается покупателем при получении груза в транспортной компании. Также возможен самовывоз с нашего склада в Москве.
Мы работаем с компаниями:
-
26 028 369 ₽Артикул: 14095Цилиндрические зубчатые колеса
прямозубые, косозубые
Макс. Ø обработки: 500 мм
Макс. модуль заготовки: 12 ммЗаказать Подробнее63 050 567 ₽Артикул: 14039Поворотно-наклонный стол:
С функцией токарной обработки
Диаметр стола: 1200 мм
Мощность: 122 кВт
Вес: 40000 кгЗаказать Подробнее39 997 801 ₽Артикул: 14038Поворотно-наклонный стол:
С функцией токарной обработки
Диаметр стола: 850 мм
Мощность: 30 кВт
Вес: 20000 кгЗаказать Подробнее38 005 319 ₽Артикул: 14037Поворотно-наклонный стол:
одноопорный
Диаметр стола: 850 мм
Мощность: 30 кВт
Вес: 20000 кгЗаказать Подробнее34 592 695 ₽Артикул: 14036Поворотно-наклонный стол:
С функцией токарной обработки
Диаметр стола: 650 мм
Мощность: 30 кВт
Вес: 13000 кгЗаказать Подробнее33 322 482 ₽Артикул: 14034Поворотно-наклонный стол:
одноопорный
Диаметр стола: 650 мм
Мощность: 30 кВт
Вес: 13000 кгЗаказать Подробнее29 187 589 ₽Артикул: 14029Поворотно-наклонный стол:
С функцией токарной обработки
Диаметр стола: 450 мм
Мощность: 30 кВт
Вес: 9000 кгЗаказать Подробнее27 016 525 ₽Артикул: 14027Поворотно-наклонный стол:
одноопорный
Диаметр стола: 450 мм
Мощность: 30 кВт
Вес: 9000 кгЗаказать Подробнее53 120 567 ₽Артикул: 13990Конические зубчатые колеса
со спиральными зубьями
Ø заготовки: до 150 мм
Модуль заготовки: до 4 ммЗаказать Подробнее -
1 702 128 ₽ 1 801 418 ₽Артикул: 6107Макс. сечение: 180х130 мм
Кол-во шпинделей: 4 шт
Скорость подачи: 6-36 м/мин
Мощность: 28,75 кВтЗаказать Подробнее2 510 638 ₽ 2 815 603 ₽Артикул: 2497Длина заготовки: 400-1500 мм
Макс. ширина заготовки: 580 мм
Станок проходного типа
Узлы: 4 пилы, 2 фрезы
Вес: 3800 кгЗаказать Подробнее2 156 028 ₽ 2 375 887 ₽Артикул: 3090Длина шпона: 1700 мм
Ширина шпона: 1700 мм
Толщина шпона: 1,0 - 3,0 мм
Масса: 4800 кгЗаказать Подробнее3 212 766 ₽ 3 312 057 ₽Артикул: 3088Длина чурака: до 1700 мм
Ø чурака: 90-500 мм
Толщина шпона: 0,5-3,0 мм
Мощность: 38,9 кВтЗаказать Подробнее2 673 759 ₽ 2 758 865 ₽Артикул: 2411Сечение заготовки: 210 х 140 мм
Кол-во шпинделей: 6 шт.
Скорость подачи: 6 - 36 м/мин
Мощность: 41,25 кВт
Вес: 4400 кг
…Заказать Подробнее
Видео
и предоставления услуг