0
0

Бесплатный звонок по РФ

8 (800) 775 27 18
Время работы склада: 9.00 - 17.00
г. Мытищи

Комплекс зубоизмерительный CTMC C-65P

Комплекс зубоизмерительный CTMC C-65P
Артикул: 14091
Макс. Ø : до 650 мм
Модуль заготовки: до 20 мм
Вертикальный ход: 500 мм
Макс. вес детали: до 500 кг
Цена: по запросу

Получить расчет лизинга

Получить предложение

Макс. Ø : до 650 мм
Модуль заготовки: до 20 мм
Вертикальный ход: 500 мм
Макс. вес детали: до 500 кг
Предоплата: 30-40%
Срок поставки: 2-4 мес.
Аванс при лизинге: от 20%
Гарантия: 1-3 года
  • Технические характеристики
  • Комплектация
  • Доставка

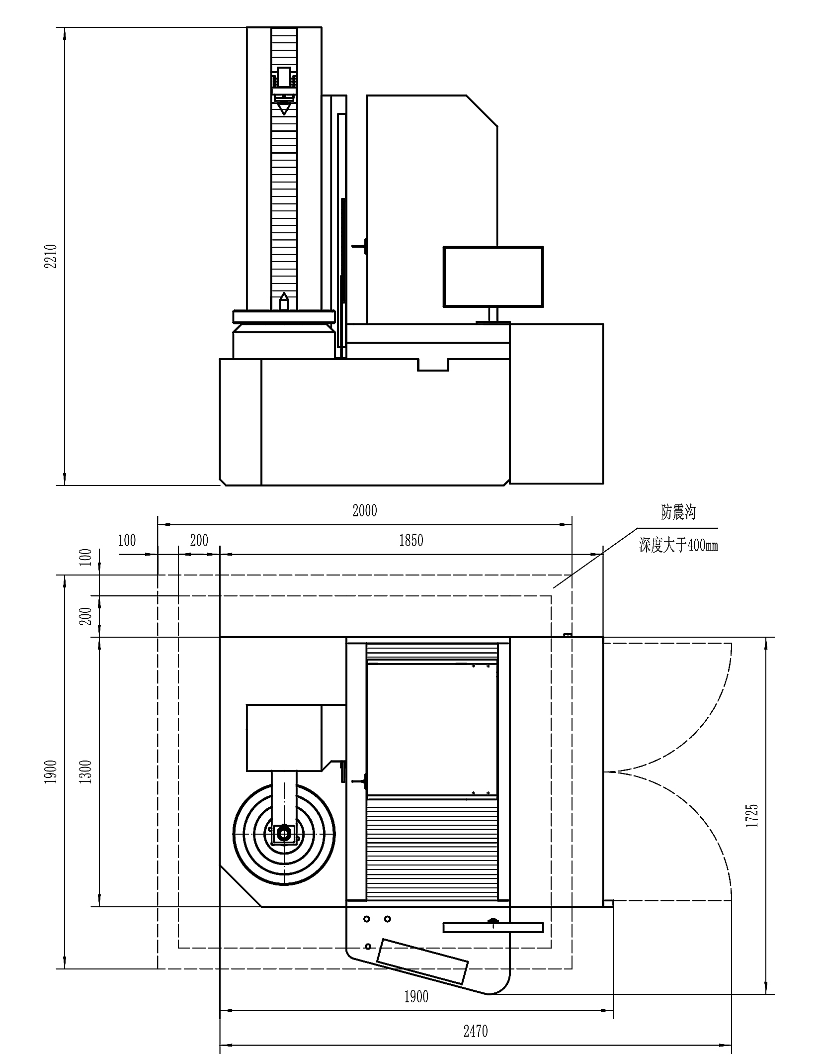
Модель

C-65P

Макс. модуль заготовки (мм)

20

Макс. диаметр (мм)

650

Вертикальный ход (мм) 500
Расстояние между центрами (мм) 35-1035
Максимальный вес детали (кг) 500
Суммарная мощность (КВт) 19
Габариты станка (мм) 1950×1900×2500
Масса станка (кг) 6000

Зубоизмерительная машина может с высокой точностью автоматически измерять отклонения профиля, направления шага, точность поверхности зубьев, накопленного шага, биение и другие элементы спирально-конических шестерен, прямозубых конических шестерен, эвольвентных цилиндрических зубчатых колес, червячных фрез, долбяков, червячных колес и т. д. Машина оснащена 3D-цифровым датчиком и системой управления датчиками, полностью замкнутым контроллером с иерархической концепцией управления, а также многофункциональной и надежной программной системой на базе Windows. Прибор может автоматически и точно измерять отклонения профиля, отклонения спирали, отклонения шага, суммарные отклонения шага, биение и другие параметры эвольвентных цилиндрических зубчатых передач (зубчатых узлов, внутренних зубчатых передач и т. д.), зуборезных инструментов (фрез, строгальных инструментов и т. д.), червяков, червячных колес, спиральных (прямолинейных) конических зубчатых передач и т. д. Кроме того, он поддерживает 3D-измерения, такие как измерение ключевых компонентов редукторов RV и гармонических редукторов, спиральных роторов и сканирование контуров зубьев.

Фото 1.jpg

Измерение спирального конического зубчатого колеса.

Фото 2.jpg

Определение отклонений измеренных параметров колеса производится с помощью программного обеспечения.

Фото 3.jpg

Погрешность при повторных измерениях профиля зубьев составляет менее 1 мкм.


Назначение :

1. Цилиндрическая шестерня
2. Шлицевая (внутренняя и внешняя)
3. Зубчатый узел
4. Зуборез
5. Червячная передача и червяк
6. Рейка
7. Спирально-коническая шестерня и прямозубая коническая шестерня
8. Другие зуборезные инструменты
9. Контурное сканирование
10. Спиральный ротор
11. Ключевые компоненты редуктора RV
12. Детали гармонического редуктора

Технические характеристики: 

1) Стабильная хост-система
2) Усовершенствованная система цифрового 3D-сканирования
3) Международная система управления стилусом
4) Надежные энкодеры в качестве эталонов позиционирования
5) Система точного управления и сбора данных
6) Уникальные иерархические методы управления

Програмное обеспечение:

1. Полностью автоматические измерения
2. Высокоплотная равномерная выборка
3. Удобный пользовательский интерфейс
4. Автоматический расчет
5. Компенсация ошибки эксцентриситета при зажиме
6. Несколько систем оценки
7. Несколько форматов отчетов
8. Специальные функции
9. Возможность индивидуальной настройки

Доставка товаров осуществляется по всей территории России, а также в страны СНГ. Отправка заказов в регионы оплачивается покупателем в соответствии с тарифами транспортной компании, осуществляющей перевозку. Доставка оплачивается покупателем при получении груза в транспортной компании. Также возможен самовывоз с нашего склада в Москве.

Мы работаем с компаниями:


С нами выгодно
img
Оставить заявку
и наши специалисты свяжутся с вами, проконсультируют по всем вопросам и помогут подобрать оборудование.
Нажимая кнопку, Вы даете согласие
на обработку
персональных данных

Видео

Производители оборудования
Показать все
География продаж
и предоставления услуг
География продаж
Показать все города
А Абакан Альметьевск Ангарск Арзамас Армавир Архангельск Астрахань Ачинск Б Барнаул Белгород Березники Бийск Благовещенск Братск Брянск В Великий Новгород Владивосток Владикавказ Владимир Волгоград Вологда Воронеж Г Грозный Д Димитровград Дзержинск Е Евпатория Екатеринбург Елец И Иваново Ижевск Иркутск Й Йошкар-Ола
К Казань Калининград Калуга Каменск-Уральск Кемерово Киров Ковров Копейск Кострома Краснодар Красноярск Курган Курск Кызыл Л Липецк М Магнитогорск Майкоп Махачкала Миасс Москва Мурманск Муром Н Набережные Челны Назрань Нальчик Находка Нефтеюганск Нижневартовск Нижнекамск Нижний Новгород Нижний Тагил Новокузнецк Новороссийск Новосибирск Новочебоксарск Новый Уренгой
О Обнинск Омск Оренбург Орск Орёл П Пенза Первоуральск Пермь Петрозаводск Петропавловск-Камчатский Прокопьевск Псков Р Ростов-на-Дону Рыбинск Рязань С Самара Санкт-Петербург Саранск Саратов Севастополь Северодвинск Северск Симферополь Смоленск Сочи Ставрополь Старый Оскол Стерлитамак Сургут Сыктывкар
Т Тамбов Тверь Тольятти Томск Тула Тюмень У Улан-Удэ Ульяновск Усолье-Сибирское Уфа Х Хабаровск Ханты-Мансийск Ч Чебоксары Челябинск Череповец Черкесск Чита Э Элиста Ю Южно-Сахалинск Я Якутск Ярославль