0
0

Бесплатный звонок по РФ

8 (800) 775 27 18
Время работы склада: 9.00 - 17.00
г. Мытищи

Фрезерные 5-ти осевые обрабатывающие центры CTMC 1250 UMT

Фрезерные 5-ти осевые обрабатывающие центры CTMC 1250 UMT
Артикул: 14039
Поворотно-наклонный стол:
С функцией токарной обработки
Диаметр стола: 1200 мм
Мощность: 122 кВт
Вес: 40000 кг
67 349 470 ₽
889013 у.е.

Получить расчет лизинга

Получить предложение

Поворотно-наклонный стол:
С функцией токарной обработки
Диаметр стола: 1200 мм
Мощность: 122 кВт
Вес: 40000 кг
Предоплата: 30-40%
Срок поставки: 2-4 мес.
Аванс при лизинге: от 20%
Гарантия: 1-3 года
  • Технические характеристики
  • Комплектация
  • Доставка

Параметр

Ед. изм.

Значение

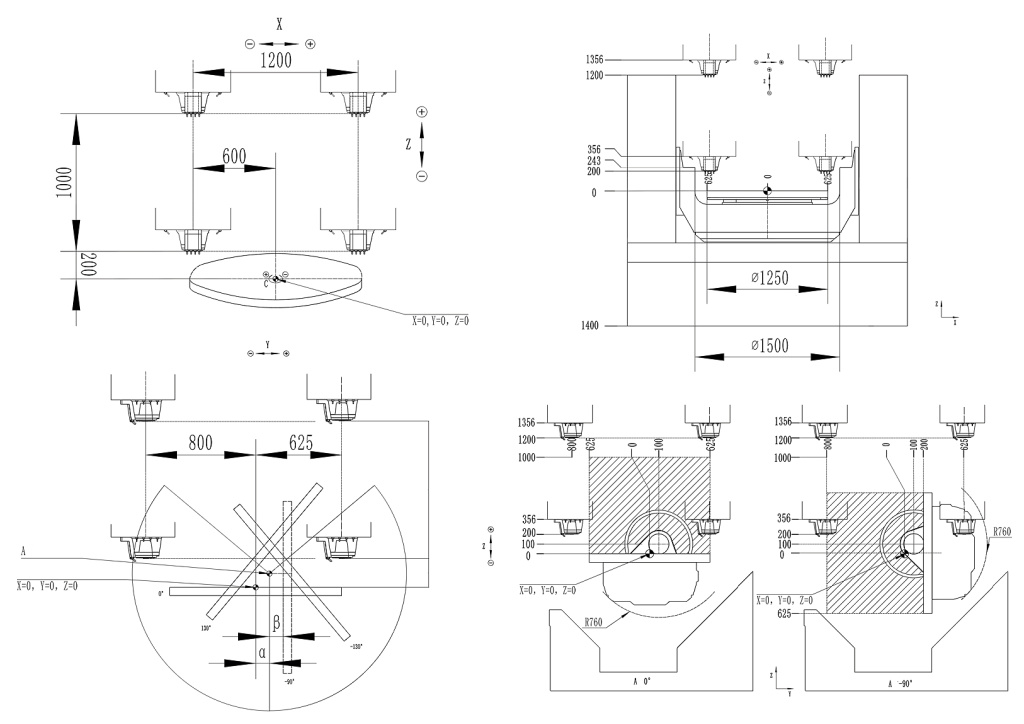
Перемещение по оси Х

мм

1200

Перемещение по оси Y

мм

1425

Перемещение по оси Z

мм

1000

Размер зажимной поверхности стола

мм

Ø1250

Максимальный диаметр обрабатываемой детали

мм

Ø 1400

Макс. габариты обрабатываемой детали (высота- диаметр, т.е. размеры куба)

мм

1000х Ф1400

Максимальный вес обрабатываемой детали

кг

2000 –токарная об-ка

3000 –фрезерная об-ка

Рабочий стол

Размеры стола

мм

Ø 1200

А-ось – наклонная ось

°

-130 ~ +130

Привод оси А

Моментный двигатель с прямым приводом

Крутящий момент по оси А

Н. м

6340х2

С-ось – поворотная ось

°

360

Привод оси С

Моментный двигатель с прямым приводом

Крутящий момент по оси С

Н. м

4458

Привод главного шпинделя

Мощность

кВт

62

Конус шпинделя

 

HSK-T100

Крутящий момент шпинделя S1/S6 25%

Н. м

204/304

Скорость вращения шпинделя

об/мин

12000

Перемещения

Ускоренные перемещения по осям X, Y, Z

м/мин

50

Скорость позиционирования (ось А)

об/мин

30

Скорость позиционирования (ось С)

об/мин

30

Скорость вращения планшайбы -функция точения

об/мин

400

Точность позиционирования по VDI/DGQ 3441

Точность позиционирования Х, Y, Z

мм

0,005

Точность повторного позиционирования Х, Y, Z

мм

0,003

Точность позиционирования по оси A

угл. cек

8

Точность позиционирования по оси C

угл. сек

6

Магазин инструмента

Вместимость

шт.

50

Диаметр инструмента с занятыми соседними ячейками

мм

125

Диаметр инструмента со свободными соседними ячейками

мм

250

Макс. длина инструмента

мм

500

Максимальная масса инструмента

кг

30

Электроподключение

Электроподключение

~380V ± 10% / 3PH / 50Hz

Электрическая мощность

кВа

122

Габаритные размеры и масса

Длина

мм

5340

Ширина

мм

6875

Высота

мм

5112

Масса станка

кг

40000


Габаритные размеры:
 11118.jpg  8888_5.jpg

1250.jpg

5-ти осевой вертикальный фрезерный обрабатывающий центр CTMC 1250 UT имеет два режима- фрезерование и точение. Эта многофункциональность уменьшает потери времени и точности, вызванные многократным зажимом в традиционных процессах, и повышает эффективность обработки и точность обработки. Благодаря использованию режима перемещения шпинделя и индексу производительности до 60 м / мин и ускорению 1g, он имеет более высокую скорость удаления материала, чем традиционные модели. Конструкция 5-ти осевого вертикального токарно-фрезерного композитного обрабатывающего центра CTMC 1250 UNT имеет улучшенную конструкцию портала. Конструкция ОЦ высокой жесткости из чугуна обладает превосходным подавлением вибрации, устойчивостью к термической деформации, влагостойкостью и лучшей адаптивностью к окружающей среде. Кольцевой магазин инструментов интегрирован с станиной станка, которая имеет простую конструкцию и экономит место.CTMC 1250 UNT имеет увеличенное рабочее пространство и большую жесткость резания, более высокую скорость линейных перемещений (до 48 м/мин). Область применения: машиностроительные предприятия, судостроение, авиастроение, инструментальное производство, автомобилестроение, медицина.

Основные преимущества:
• Полноценная, одновременная 5-ти осевая обработка
• Конструкция, обеспечивающая высокую жесткость обработки
• Литая станина
• Отличная динамика
• Высокая точность и производительность
• Высокая скорость C-оси с токарной функцией включает в себя: замену шпинделя на тип HSK-T,
• Диапазон вращения оси A -130/ +130 градусов
• Охлаждение воздухом
• СОЖ высокого давления 70 бар, включает подачу СОЖ через шпиндель и бумажно-ленточный фильтр
• Установка системы zero point на стол (опционально)

• Система непрерывного всасывания тумана, образующегося при обработке с высоким давлением подачи СОЖ
• Системы измерения Renishaw для определения нулевой точки и определения износа инструмента
• Постпроцессор

Примеры обрабатываемых деталей

 1-19120411123B30.png 1-191204103153N4.png   1-191204111312W8.png
 1-1912041055125A.png  1-191204103332141.png  1-191204105546496.png


1250_.jpg

Оптимальная опора шпинделя;
Вдохновленная классической конструкцией вертикально-координатно-расточных станков, она отличается превосходной жесткостью шпинделя;
Поворотный стол с ЧПУ обеспечивает опору на две стенки;
Ось Y поддерживается четырьмя направляющими и имеет главный привод, расположенный в центре;

Кольцеобразный инструментальный магазин интегрирован со станиной станка, что обеспечивает простую конструкцию и экономию места.

Несущая конструкция.

Станина изготовлена единой отливкой из минерального литья, теплопроводность которого составляет всего 1/20 от теплопроводности чугуна, что приводит к меньшей погрешности, связанной с термической деформацией;

Искусственный мрамор обладает в шесть раз большей амортизацией, чем чугун, — это обеспечивает лучшие показатели поглощения ударов;
Цельнолитая конструкция значительно экономит время и затраты на последующую обработку;
Технологический процесс отверждения при комнатной температуре; материал подложки, предпочтительный для международных компаний, занимающихся производством прецизионных станков.

1-191209135929258.png

1-1912091359444c.png

Прямой привод

Хорошая способность к динамическому отклику;

Отсутствие люфта, отсутствие износа трансмиссионных механизмов; в качестве основного привода для поворотной координаты используется моментный двигатель.

Ось C типа U/UMT оснащена низко- и высокоскоростными двигателями с высоким крутящим моментом соответственно, что позволяет выполнять высокоточные фрезерные и токарные операции.

Поворотный стол люлечного типа с моментным двигателем с прямым приводом.

Эффективное подавление вибрации и устранение люфта.

Размер зажимной поверхности рабочего стола Ø1250 мм

Центральное отв. – Ø32Н7

Центральный T образный паз – 22Н7расположены звездообразно

Диапазон по оси А -130°/+130°

Масса заготовки – 3000 кг.

 

1250_1.jpg

 

2321.jpg



Система ЧПУ
ЧПУ GNC 62 подходит для широкого спектра высокопроизводительных фрезерных станков с ЧПУ, вертикальных, горизонтальных и портальных обрабатывающих центров.
Некоторые из основных особенностей:
Точное определение положения/угла.
Системная поддержка датчиков
Автономные системы трехмерного моделирования.
Функции компенсации ошибок
Различные виды интерполяции
Высокоскоростная, высокоточная обработка
Технология многоканального управления


Рабочая зона:

1200.jpg

Доставка товаров осуществляется по всей территории России, а также в страны СНГ. Отправка заказов в регионы оплачивается покупателем в соответствии с тарифами транспортной компании, осуществляющей перевозку. Доставка оплачивается покупателем при получении груза в транспортной компании. Также возможен самовывоз с нашего склада в Москве.

Мы работаем с компаниями:


С нами выгодно
img
Оставить заявку
и наши специалисты свяжутся с вами, проконсультируют по всем вопросам и помогут подобрать оборудование.
Нажимая кнопку, Вы даете согласие
на обработку
персональных данных

Видео

Производители оборудования
Показать все
География продаж
и предоставления услуг
География продаж
Показать все города
А Абакан Альметьевск Ангарск Арзамас Армавир Архангельск Астрахань Ачинск Б Барнаул Белгород Березники Бийск Благовещенск Братск Брянск В Великий Новгород Владивосток Владикавказ Владимир Волгоград Вологда Воронеж Г Грозный Д Димитровград Дзержинск Е Евпатория Екатеринбург Елец И Иваново Ижевск Иркутск Й Йошкар-Ола
К Казань Калининград Калуга Каменск-Уральск Кемерово Киров Ковров Копейск Кострома Краснодар Красноярск Курган Курск Кызыл Л Липецк М Магнитогорск Майкоп Махачкала Миасс Москва Мурманск Муром Н Набережные Челны Назрань Нальчик Находка Нефтеюганск Нижневартовск Нижнекамск Нижний Новгород Нижний Тагил Новокузнецк Новороссийск Новосибирск Новочебоксарск Новый Уренгой
О Обнинск Омск Оренбург Орск Орёл П Пенза Первоуральск Пермь Петрозаводск Петропавловск-Камчатский Прокопьевск Псков Р Ростов-на-Дону Рыбинск Рязань С Самара Санкт-Петербург Саранск Саратов Севастополь Северодвинск Северск Симферополь Смоленск Сочи Ставрополь Старый Оскол Стерлитамак Сургут Сыктывкар
Т Тамбов Тверь Тольятти Томск Тула Тюмень У Улан-Удэ Ульяновск Усолье-Сибирское Уфа Х Хабаровск Ханты-Мансийск Ч Чебоксары Челябинск Череповец Черкесск Чита Э Элиста Ю Южно-Сахалинск Я Якутск Ярославль