1 горизонт./вертик. траверса:
21 шп.
1 вертик. верхняя траверса:
21 шп.
Макс. глубина…
Бесплатный звонок по РФ
8 (800) 775 27 18Технические характеристики поворотного стола HP-1820
|
Параметры |
Ед. изм. |
HP-1820 |
| Размер рабочего стола |
мм |
1800х2000 |
|
Размер Т-образного рабочего стола |
мм |
8х24-200 |
|
Сервопривод |
FANUC |
AIF40/3000 |
|
Минимальная единица деления |
Градус |
0.001° |
|
Точность деления |
Сек. |
10ʺ |
|
Повторяемая точность |
Сек. |
±4ʺ |
|
Общее передаточное отношение |
|
1:720 |
|
Температура окружающей среды |
°С |
18°- 40° |
|
Давление источника масла |
кг/см² |
35 |
|
Максимальное количество оборотов на план-шайбе |
Об/мин |
2.78 |
|
Максимальная масса заготовки |
кг |
15000 |
|
Масса поворотного стола |
кг |
6750 |
Технические характеристики станка YSBD-130/15T
|
Процесс |
Технические характеристики |
Ед. изм. |
YSBD-130/15T |
|
Движение |
X/Y/Z/W ось |
мм |
4500/2600/1500/700 |
|
Расстояние от оси шпинделя до поверхности стола |
мм |
75-2675 |
|
|
Расстояние от торца шпинделя до центра стола |
мм |
280-2480 |
|
|
Форма качения |
|
Роликовая направляющая |
|
|
Рабочий стол |
Размеры рабочего стола (ДхШ) |
мм |
1800х2000 |
|
Максимальная нагрузка на стол |
кг |
15000 |
|
|
Градуирование рабочего стола |
№/мм |
0.001 |
|
|
Главный шпиндель |
Модель шпинделя |
- |
BT50 |
|
Скорость вращения |
Об/мин |
3000 |
|
|
Тип привода |
|
шестерённый тип |
|
|
Диаметр шпинделя |
мм |
130 |
|
|
Обработка |
Скорость подачи по оси X/Y/Z/W |
м/мин |
10/10/10/8 |
|
Максимальный съем |
мм/мин |
10/10/10/5 |
|
|
Двигатель |
Двигатель шпинделя |
Вт |
AIF30/7000 |
|
Двигатель по осям |
Вт |
AIF40/3000/AIF40B/3000/AIF40/3000/AIF22//3000 |
|
|
Двигатель водяного насоса |
m/h-m |
4-60 |
|
|
Точность (ISO 230-2-1997) |
Точность позиционирования |
мм |
0.01 |
|
Точность повторяемости |
мм |
0.005 |
|
|
Требования к энергоносителям |
Требования к питанию |
кВА |
95 |
|
Требования к источнику воздуха |
кг/см |
6~8 |
|
|
Размеры станка |
Д*Ш *В |
мм |
8000х7500х5500 |
|
Масса |
кг |
45000 |
Горизонтально-расточной станок представляет собой высокотехнологичное решение для обработки особо крупных и сложных деталей в условиях интенсивного промышленного производства. Это оборудование сочетает в себе мощную конструкцию, передовые технические решения и исключительную точность, что делает его незаменимым инструментом для современных машиностроительных предприятий.
КОНСТРУКТИВНЫЕ ОСОБЕННОСТИ СТАНКА
ОСНОВНЫЕ КОМПЛЕКТУЮЩИЕ СТАНКА YSBD-130/15T

ОСОБЕННОСТИ ГОРИЗОНТАЛЬНО-РАСТОЧНОГО СТАНКА YSBD-130/15T
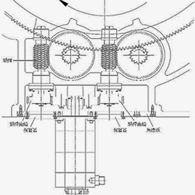
Схема поворотного стола станка YSBD-130/15T
|
Наименование |
Кол-во |
Производитель |
Характеристика |
|
Система ЧПУ |
1 шт. |
FANUC / Япония |
FANUC-OI-MF |
|
Двигатель шпинделя |
1 шт. |
FANUC / Япония |
AiI30/7000 |
|
X, Y, Z двигатель по осям |
1 шт. |
FANUC / Япония |
AIF40/3000/AIF40B/3000/AIF40/3000/AIF22/3000 |
|
Подшипник шпинделя передний |
1 шт. |
NSK/FAG |
|
|
Подшипник шпинделя задний |
1 шт. |
NSK/FAG |
|
|
X, Y, Z Винтовой подшипник вала |
1 шт. |
NSK/FAG |
|
|
X, Y, Z Шариковый винт оси |
1 шт. |
PMI/THK |
|
|
X направляющая |
2 шт. |
PMI/THK/INA |
65 |
|
Y направляющая |
2 шт. |
-- |
|
|
Z направляющая |
2 шт. |
PMI/THK/INA |
65 |
|
Шпиндельный блок |
1 шт. |
YANGSEN / КНР |
BT50 |
|
Водяной насос |
1 шт. |
YANGSEN / КНР |
LDPB4V-60-1350W |
|
Автоматическая система смазки |
1 шт. |
Masakazu Showa / Япония /SKF |
4 л |
|
Основной воздушный блок |
1 шт. |
SMC / AirTAC |
|
|
Основной электрический блок |
1 шт. |
Shneider Electric |
|
|
Теплообменник |
1 шт. |
Ouyi / КНР |
|
|
Поворотный стол с ЧПУ (с круглой решеткой) |
1 шт. |
Risun / КНР |
1800х2000 |
|
Компоненты гидравлической станции |
1 шт. |
Тайвань |
|
|
Трехосевая оптическая шкала (опционально) |
1 шт. |
Fager / КНР |
|
Комплект поставки станка
|
№ п/п |
Наименование |
№ п/п |
Наименование |
|
1 |
Полузащищенный кожух |
12 |
Фундаментные вкладыши |
|
2 |
Автоматическая система смазки |
13 |
Передача данных по сети и функция CF-карты |
|
3 |
Набор с инструментами |
14 |
Портативный воздушный пистолет для продувки стружки |
|
4 |
Рабочий светильник |
15 |
Пистолет для промывки |
|
5 |
Теплообменник электрической коробки |
|
|
|
6 |
Пылезащитная система шпиндельной воздушной завесы |
|
|
|
7 |
Лабиринтный пылеуловитель шпинделя |
|
|
|
8 |
Режущий инструмент и ящик ЗиП |
|
|
|
9 |
Устройство автоматического отключения питания M30 |
|
|
|
10 |
Автоматический конвейер для стружки |
|
|
|
11 |
Сигнальная лампа (с зуммером) |
|
|
Доставка товаров осуществляется по всей территории России, а также в страны СНГ. Отправка заказов в регионы оплачивается покупателем в соответствии с тарифами транспортной компании, осуществляющей перевозку. Доставка оплачивается покупателем при получении груза в транспортной компании. Также возможен самовывоз с нашего склада в Москве.
Мы работаем с компаниями: