Горизонтально-расточной станок MP6
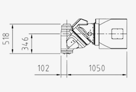
Ось Х: 9000 мм
Ось Y: 4000 мм
Масса: 38000 кг
- Технические характеристики
- Комплектация
- Доставка
|
Наименование параметра |
Ед.изм. |
MP6 |
|
Перемещения: |
||
|
Продольное перемещение по оси «Х» |
мм |
9 000 |
|
Вертикальное перемещение по оси «Y» |
мм |
4 000 |
|
Поперечное перемещение ползуна RAM по оси «Z» |
мм |
1 500 |
|
Осевое перемещение шпинделя по оси «W» |
мм |
1 000 |
|
Шпиндель: |
||
|
Диаметр главного шпинделя |
мм |
160 (170) |
|
Частота вращения шпинделя, |
об/мин |
3 000 |
|
Мощность привода шпинделя (const ПВ) |
кВт |
71 |
|
Мощность привода шпинделя (при 40% ПВ) |
кВт |
105 |
|
Крутящий момент (const ПВ / при 40% ПВ) |
Нм |
5 007 / 7 404 |
|
Конус шпинделя |
|
ISO 50 |
|
Число ступеней регулирования скорости |
|
2 |
|
Размеры направляющих: |
||
|
Расстояние между продольными направляющими станины (Ось «Х») |
мм |
1 634 |
|
Расстояние между направляющими колонны (Ось «Y») |
мм |
1 100 |
|
Поперечное сечение ползуна RAM |
мм |
460×520 |
|
Размеры поперечного сечения станины |
мм |
1 634×470 |
|
Привода подач через высокоточные предварительно нагруженные ШВП: |
||
|
Перемещение по оси Х осуществляется через 2 сервопривода |
|
|
|
Ось «Y» |
мм |
Ø80 |
|
Ось «Z» |
мм |
Ø80 |
|
Ось «W» |
мм |
Ø63 |
|
Привода подач: |
||
|
Усилие подачи по оси «Х», |
Н |
30 000 |
|
Усилие подачи по оси «Y» |
Н |
30 000 |
|
Усилие подачи по оси «Z» |
Н |
30 000 |
|
Усилие подачи по оси «W» |
Н |
30 000 |
|
Ускоренное перемещение по оси «Х» |
мм/мин |
20 000 |
|
Ускоренное перемещение по оси «Y» |
мм/мин |
20 000 |
|
Ускоренное перемещение по оси «Z» |
мм/мин |
20 000 |
|
Ускоренное перемещение по оси «W» |
мм/мин |
15 000 |
|
Рабочая подача по оси «Х» |
мм/мин |
10 000 |
|
Рабочая подача по оси «Y» |
мм/мин |
10 000 |
|
Рабочая подача по оси «Z» |
мм/мин |
10 000 |
|
Рабочая подача по оси «W» |
мм/мин |
8 000 |
|
Система измерения: |
||
|
В продольном направлении по оси «Х» |
|
Heidenhain LC 281 |
|
В вертикальном направлении по оси «Y» |
|
Heidenhain LC 185 |
|
В направлении перемещения ползуна по оси «Z» |
|
Heidenhain LC 185 |
|
В направлении перемещения шпинделя по оси «W» |
|
Heidenhain LC 185 |
|
Точность шкалы |
мкм |
+/- 5 |
|
Шаг измерения LC 281 |
мкм |
0,01 |
|
Шаг измерения LC 185 |
мкм |
0,01 |
|
Привода Siemens: |
||
|
Привод подачи продольного перемещения (Ось «Х») |
Нм / об/мин |
2 х 65 / 2 000 |
|
Привод подачи вертикального перемещения (Ось «Y») |
Нм / об/мин |
110 / 2 000 |
|
Привод подачи поперечного перемещения ползуна (Ось «Z») |
Нм / об/мин |
70 / 2 000 |
|
Привод подачи перемещения шпинделя (Ось «W) |
Нм / об/мин |
65 / 3 000 |
|
Параметры воздуха: |
||
|
Давление воздуха |
бар |
6 |
|
Расход |
м3/ч |
50 |
|
Параметры электросети: |
||
|
Напряжение |
В |
400 (~3/РЕ) |
|
Частота |
Гц |
50 |
| Масса станка | кг | 38000 |
|
|
Фрезерный горизонтально-расточной обрабатывающий центр с ползуном напольного типа; |
![]() Диаграмма зависимости крутящего момента и мощности шпинделя от его скорости вращения |
Передняя бабка.
Ориентация шпинделя посредством управляемого программируемого кодового датчика положения; |
![]() |
Подготовка передней бабки (Ползуна) для автоматической смены фрезерных головок.
Гидравлическая подготовка; |
![]() |
Электрические датчики для торцевых головок, электрошпинделей и др.; |
![]() |
Защита хиртового соединения.
Из алюминия; |
![]()
|
Продольное перемещение (Ось «X»)
Продольное перемещение по оси «X» – 9000 мм; |
![]() |
Поперечное перемещение ползуна (Ось «Z» + «W») – 2500 мм.
Поперечное перемещение ползуна RAM по оси «Z» – 1500 мм; |
![]() |
Гидростатическая система направляющих ползуна располагается на боковых противоположных сторонах (4 гидростатических полости с каждой стороны) – всего 16 шт.; |
![]() |
Система автоматической смены инструмента АТС60.
Количество гнезд – 60 шт; |
![]() 5-ти местная |
Система автоматической смены головок на 4 позиции.
Автоматическая смена головок, 4-х местная pick-up станция; |
![]() |
Устройство внутренней и внешней подачи СОЖ
Система охлаждения инструмента с внешней подачей СОЖ на передней бабке и внутренней подачей СОЖ через инструмент; |
![]() |
Системы гидромеханической, электронной и температурной компенсаций.
Система гидромеханической компенсации: |
![]() |
Мобильная платформа для оператора с 3-мя направлениями перемещения.
Независимая платформа оператора с перемещением по осям «Y» и «Z» для доступа к заготовке и с перемещением по оси «Х» для доступа к позициям магазина смены инструментов; |
![]() |
Электроустановка.
Электрошкаф с кондиционером; |
![]() |
Система ЧПУ Siemens 840D-sl.
Управление всеми линейными и поворотными осями, контроль ориентации шпинделя; |
![]() |
Телесервис (Удаленный доступ для диагностики станка)
Удаленный помощник – это приложение, поставляемое для улучшения обслуживания станков, установленных по всему миру. Электронный доступ к программам и функциям станка позволяет быстро решать возникшие проблемы удаленно. Безопасное и гибкое в установке.
Красный (RAL 3031): |
![]() |
Фундамент.
Клиент должен утвердить эту схему в течение 20 дней после получения, подтвердив расположение станка и местонахождение различных его элементов. |
ДОПОЛНИТЕЛЬНЫЕ ОПЦИИ И ПРИНАДЛЕЖНОСТИ
![]() |
Опора главного шпинделя L=550 мм – автоматическая смена.
Главные подшипники смазываются воздушно-масляной смесью; |
![]() ![]() ![]() |
АСD2. Автоматическая универсальная фрезерная головка 40 кВт, 0,001×0,001 градуса – автоматическая смена.
Позиционирование с чрезвычайно высокой точностью вращения в двух плоскостях осуществляется посредством сопряжения типа Хирта. Одна из муфт Хирта перемещается с помощью электродвигателя так что голова может быть установлена автоматически каждые 0,001ºx0,001º. Круговой оптический датчик в каждом мобильном корпусе для гарантии позиционирования.
Максимальная мощность: 40 кВт |
|
Вертикальная фрезерная головка 60 кВт с индексированием 1º.
Одна поворотная ось в вертикальной плоскости. |
|
D’Andrea-торцевая и расточная головка UT 5 – 630 (800).
|
|
Устройство для смены инструмента в горизонтальном и вертикальном положении.
|
|
Параметры RMP60:
Тип передачи – широкополосный сигнал с частотными скачками (FHSS) радио; |
![]() ![]() |
Лазерный зонд Renishaw NC4 с бесконтактной системой измерения инструмента L325 SM [51] -R00
Тип лазера: Класс 2, видимый красный свет |
|
Защитное ограждение станка – балюстрада. |
КОМПЛЕКТАЦИЯ ГОРИЗОНТАЛЬНО-РАСТОЧНОЙ СТАНОК МОДЕЛИ MP6
-
Направляющие:
- гидростатические направляющие по оси Х;
- гидростатические направляющие по оси Y;
- гидростатические направляющие по оси Z;
- гидростатический подшипник поворотного стола -
Перемещения:
Продольное перемещение по оси «Х» – 9000 мм;
Вертикальное перемещение по оси «Y» – 4000 мм;
Поперечное перемещение ползуна RAM по оси «Z» – 1500 мм;
Осевое перемещение шпинделя по оси «W» – 1000 мм. -
Шпиндель:
Диаметр главного шпинделя – 160 мм;
Частота вращения шпинделя – 3000 об/мин;
Мощность привода шпинделя (const ПВ) – 71 кВт;
Конус шпинделя – ISO 50 исполнение BIG PLUS (двойной контакт)
Число ступеней регулирования скорости – 2. -
Крепление инструмента
Согласно DIN 69871, ISO 50, Штревель согласно DIN 69872; -
Привода подач:
Усилие подачи по оси «Х», «Y», «Z» и «W» – 30000 Н;
Ускоренное перемещение по оси «Х», «Y» и «Z» – 20000 мм/мин;
Ускоренное перемещение по оси «W» – 15000 мм/мин;
Рабочая подача по оси «Х», «Y» и «Z» – 10000 мм/мин;
Рабочая подача по оси «W» – 8000 мм/мин. -
Системы гидромеханической, электронной и температурной компенсаций;
-
Русифицированная система ЧПУ – Sinumerik 840D-sl
(С монитором 19”) + электронный маховичок HT-2; -
Оптические системы измерения – Heidenhein;
Привода и двигатели – Siemens;
Мобильная кабина для оператора с перемещением по 3-м осям;
Защита хиртового соединения;
Промежуточный выгребной насос для СОЖ, интегрированный в главный бак в стружечном конвейере;
Подготовка передней бабки для автоматической смены фрезерных головок;
Электрошкаф с кондиционером;
Централизованная автоматическая система смазки;
Телесервис;
Стабилизатор напряжения
Комплект приспособлений для установки станка;
Полный комплект документации на русском языке.
ДОПОЛНИТЕЛЬНЫЕ ПРИНАДЛЕЖНОСТИ
-
Система автоматической смены инструмента АТС60:
Количество гнезд – 60 шт;
Максимальный вес инструмента – 35 кг;
Максимальный диаметр инструмента – 125 мм;
Максимальный диаметр инструмента со свободными соседними ячейками – 250 мм;
Максимальный диаметр инструмента (при ориентированном расточном инструменте и свободном соседнем гнезде) – 500 мм;
Максимальная длина инструмента – 600 мм;
Общий вес инструментов в магазине – 1050 кг. -
Устройство для смены инструмента в горизонтальном и вертикальном положении.
-
Поворотный стол 4000×4500 мм с продольным перемещением V=2000, 80 тонн
-
Плитный настил (2 шт.) в комплекте с регулируемыми опорами и анкерными болтами (4000×2000×300)
-
Транспортер удаления стружки 9000 мм
-
Устройство внутренней и внешней подачи СОЖ:
- наружное охлаждение - 3 бар
- подача СОЖ через центр шпинделя – 20 бар -
Система автоматической смены головок на 4 позиции
-
Опора главного шпинделя L=550 мм (автоматическая установка)
-
Автоматическая универсальная фрезерная головка 40 кВт с индексированием 0,001º в 2-х осях (А и С), момент 1400 Нм (автоматическая установка)
-
Автоматическая ортогональная фрезерная головка 46 кВт – индексация 1° в 2-х осях, момент 2000 Нм (автоматическая установка)
-
Вертикальна фрезерная головка 60 кВт с индексированием 1º (автоматическая установка)
-
D’Andrea-торцевая и расточная головка UT 5 – 630 (автоматическая установка)
-
Ускорительная головка 6000 об/мин (автоматическая установка)
-
Измерительный контактный датчик Renishaw RMP60 для замера заготовки
-
Лазерный зонд Renishaw NC4 для измерения инструмента
-
Защитное ограждение станка – балюстрада
-
Комплект запасных частей на три года эксплуатации оборудования
Доставка товаров осуществляется по всей территории России, а также в страны СНГ. Отправка заказов в регионы оплачивается покупателем в соответствии с тарифами транспортной компании, осуществляющей перевозку. Доставка оплачивается покупателем при получении груза в транспортной компании. Также возможен самовывоз с нашего склада в Москве.
Мы работаем с компаниями:
-
68 385 615 ₽Артикул: 14039Поворотно-наклонный стол:
С функцией токарной обработки
Диаметр стола: 1200 мм
Мощность: 122 кВт
Вес: 40000 кгЗаказать Подробнее43 382 231 ₽Артикул: 14038Поворотно-наклонный стол:
С функцией токарной обработки
Диаметр стола: 850 мм
Мощность: 30 кВт
Вес: 20000 кгЗаказать Подробнее41 221 154 ₽Артикул: 14037Поворотно-наклонный стол:
одноопорный
Диаметр стола: 850 мм
Мощность: 30 кВт
Вес: 20000 кгЗаказать Подробнее37 519 769 ₽Артикул: 14036Поворотно-наклонный стол:
С функцией токарной обработки
Диаметр стола: 650 мм
Мощность: 30 кВт
Вес: 13000 кгЗаказать Подробнее36 142 077 ₽Артикул: 14034Поворотно-наклонный стол:
одноопорный
Диаметр стола: 650 мм
Мощность: 30 кВт
Вес: 13000 кгЗаказать Подробнее31 657 308 ₽Артикул: 14029Поворотно-наклонный стол:
С функцией токарной обработки
Диаметр стола: 450 мм
Мощность: 30 кВт
Вес: 9000 кгЗаказать Подробнее29 302 538 ₽Артикул: 14027Поворотно-наклонный стол:
одноопорный
Диаметр стола: 450 мм
Мощность: 30 кВт
Вес: 9000 кгЗаказать Подробнее27 369 231 ₽Артикул: 13944Цилиндрические колеса прямозубые
Внеш/внутр. Ø детали: 500/580 мм
Макс. модуль: 8 мм
Макс. ширина венца: 170 ммЗаказать Подробнее24 307 692 ₽Артикул: 13930Для цилиндрических прямозубых,
косозубых шестёрен и зубчатых колёс
Макс. Ø обработки: 350 мм
Макс. модуль заготовки: 8 ммЗаказать Подробнее -
1 846 154 ₽ 1 953 846 ₽Артикул: 6107Макс. сечение: 180х130 мм
Кол-во шпинделей: 4 шт
Скорость подачи: 6-36 м/мин
Мощность: 28,75 кВтЗаказать Подробнее2 723 077 ₽ 3 053 846 ₽Артикул: 2497Длина заготовки: 400-1500 мм
Макс. ширина заготовки: 580 мм
Станок проходного типа
Узлы: 4 пилы, 2 фрезы
Вес: 3800 кгЗаказать Подробнее2 338 462 ₽ 2 576 923 ₽Артикул: 3090Длина шпона: 1700 мм
Ширина шпона: 1700 мм
Толщина шпона: 1,0 - 3,0 мм
Масса: 4800 кгЗаказать Подробнее3 484 615 ₽ 3 592 308 ₽Артикул: 3088Длина чурака: до 1700 мм
Ø чурака: 90-500 мм
Толщина шпона: 0,5-3,0 мм
Мощность: 38,9 кВтЗаказать Подробнее2 900 000 ₽ 2 992 308 ₽Артикул: 2411Сечение заготовки: 210 х 140 мм
Кол-во шпинделей: 6 шт.
Скорость подачи: 6 - 36 м/мин
Мощность: 41,25 кВт
Вес: 4400 кг
…Заказать Подробнее
Видео
и предоставления услуг






















